Che cos'è un sistema elettrolitico di desorbimento e perché è essenziale per la moderna estrazione dell'oro

2026-04-21 - Lasciami un messaggio

ILSistema elettrolitico di desorbimentoè una tecnologia cruciale nella moderna estrazione dell'oro, in particolare nei processi carbon-in-pulp (CIP) e carbon-in-leach (CIL). Questo blog esplora come funziona il sistema, i suoi componenti, i vantaggi e perché è diventato uno standard nel recupero efficiente dell'oro. Evidenziamo anche come piacciono alle aziendeEPICOOOOstanno guidando l’innovazione in questo campo. Alla fine, avrai una comprensione completa di come questo sistema migliora la produttività, riduce i costi e migliora i tassi di recupero.

Desorption Electrolytic System

Sommario


Che cos'è un sistema elettrolitico di desorbimento

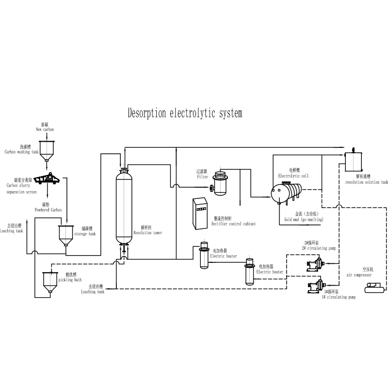
A Sistema elettrolitico di desorbimentoè un sistema avanzato di recupero dell'oro utilizzato per estrarre l'oro dal carbone attivo. È ampiamente applicato nelle operazioni minerarie in cui l'oro viene assorbito dalle particelle di carbonio durante il processo di lisciviazione.

  • Desorbimento: rimuove l'oro dal carbonio utilizzando soluzioni ad alta temperatura e alta pressione
  • Elettrolisi: recupera l'oro dalla soluzione sui catodi
  • Sistema a circuito chiuso: garantisce efficienza e perdite minime

Questo sistema è essenziale per migliorare l’efficienza del recupero e ridurre i costi operativi, rendendolo un componente fondamentale nei moderni impianti di lavorazione dell’oro.


Come funziona un sistema elettrolitico di desorbimento

Il principio di funzionamento di aSistema elettrolitico di desorbimentoprevede due fasi principali:

  1. Fase di desorbimento:Il carbonio caricato con oro viene trattato con una soluzione calda di cianuro alcalino, rilasciando ioni d'oro.
  2. Fase di elettrolisi:La soluzione ricca di oro passa attraverso una cella elettrolitica dove l'oro si deposita sui catodi di lana d'acciaio.

Il processo garantisce un'elevata efficienza e consente il funzionamento continuo, motivo per cui i sistemi di aziende similiEPICOOOOsono ampiamente adottati nelle applicazioni industriali.


Componenti principali del sistema

Componente Funzione
Colonna di desorbimento Contiene carbone attivo e facilita la rimozione dell'oro
Cella elettrolitica Recupera l'oro attraverso l'elettrolisi
Scambiatore di calore Mantiene la temperatura richiesta
Sistema di filtraggio Rimuove le impurità dalla soluzione
Sistema di controllo Automatizza il funzionamento e monitora i parametri

Ogni componente svolge un ruolo fondamentale nel garantire che il sistema funzioni in modo efficiente e coerente.


Vantaggi e caratteristiche tecniche

  • Elevato tasso di recupero dell'oro (fino al 98%)
  • Basso consumo energetico
  • Funzionamento automatizzato per costi di manodopera ridotti
  • Design compatto per l'efficienza dello spazio
  • Rispettoso dell'ambiente con emissioni minime

Ai produttori piaceEPICOOOOottimizzare continuamente questi sistemi per soddisfare le esigenze in continua evoluzione del settore, garantendo prestazioni e affidabilità migliori.


Applicazioni nella lavorazione dell'oro

ILSistema elettrolitico di desorbimentoè ampiamente utilizzato in:

  • Impianti di estrazione dell'oro
  • Operazioni CIP (Carbon-in-Pulp).
  • Processi CIL (Carbon-in-Leach).
  • Recupero degli scarti d'oro

La sua versatilità lo rende adatto sia per l’estrazione industriale su larga scala che per le operazioni più piccole che cercano miglioramenti in termini di efficienza.


Confronto con i metodi tradizionali

Caratteristica Sistema elettrolitico di desorbimento Metodi tradizionali
Efficienza Alto Moderare
Automazione Completamente automatizzato Manuale o semiautomatico
Costo Costi inferiori a lungo termine Costi operativi più elevati
Impatto ambientale Basso Più alto

Chiaramente, il sistema moderno offre vantaggi significativi rispetto alle tradizionali tecniche di recupero dell’oro.


Guida alla selezione per gli acquirenti

Quando si sceglie aSistema elettrolitico di desorbimento, considerare i seguenti fattori:

  • Capacità di elaborazione
  • Livello di automazione
  • Efficienza energetica
  • Reputazione del produttore (ad es. EPIC)
  • Supporto post-vendita

La scelta del sistema giusto garantisce il successo operativo a lungo termine e il massimo ritorno sull'investimento.


Consigli operativi e di manutenzione

  • Ispezionare regolarmente tubazioni e valvole
  • Monitorare i livelli di temperatura e pressione
  • Pulire periodicamente le celle elettrolitiche
  • Sostituire tempestivamente i componenti usurati
  • Seguire rigorosamente le linee guida del produttore

Una corretta manutenzione prolunga significativamente la durata del sistema e garantisce prestazioni costanti.


Domande frequenti

1. Qual è lo scopo principale di un sistema elettrolitico di desorbimento?

Il suo scopo principale è estrarre e recuperare in modo efficiente l'oro dal carbone attivo.

2. Quanto è efficiente il sistema?

La maggior parte dei sistemi raggiunge un tasso di recupero dell'oro superiore al 95%, a seconda delle condizioni operative.

3. Il sistema è rispettoso dell'ambiente?

Sì, i sistemi moderni sono progettati per ridurre al minimo le emissioni e ridurre i rifiuti chimici.

4. Può essere personalizzato?

Sì, aziende come EPIC offrono soluzioni personalizzabili in base alle esigenze di lavorazione.

5. Quali industrie utilizzano questo sistema?

Principalmente nel settore dell'estrazione dell'oro, ma anche nelle applicazioni di recupero dei metalli preziosi.


Conclusione

ILSistema elettrolitico di desorbimentorappresenta una svolta nella tecnologia di recupero dell'oro, offrendo efficienza, affidabilità e prestazioni ambientali senza pari. Con continui progressi da parte di leader del settore comeEPICOOOO, questo sistema sta diventando sempre più essenziale per le moderne operazioni minerarie. Se stai cercando di ottimizzare il processo di estrazione dell’oro e migliorare la redditività, investire in un sistema di alta qualità è una scelta intelligente.Contattacioggi per saperne di più su come possiamo fornire soluzioni su misura per le vostre esigenze.

Invia richiesta

X
Utilizziamo i cookie per offrirti una migliore esperienza di navigazione, analizzare il traffico del sito e personalizzare i contenuti. Utilizzando questo sito, accetti il ​​nostro utilizzo dei cookie. politica sulla riservatezza