Sistema elettrolitico di desorbimento
  • Sistema elettrolitico di desorbimento Sistema elettrolitico di desorbimento

Sistema elettrolitico di desorbimento

Come uno dei produttori professionisti, Epic desidera offrirti un sistema elettrolitico di desorbimento di alta qualità. E ti offriremo il miglior servizio post-vendita e la consegna tempestiva.

Invia richiesta

Descrizione del prodotto

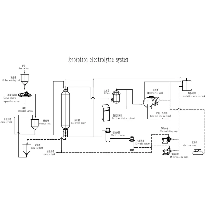
Essendo un produttore competente, Epic mira a offrirti un sistema elettrolitico di desorbimento di prim'ordine. Promettiamo di fornirti il ​​miglior supporto post-vendita e consegna rapida. Nell'aggiunta più facilmente mediante sistema di desorbimento di adsorbimento del carbonio attivo, quindi la sostituzione Au (CN) 2 ", realizza il desorbimento dell'oro. Il liquido ottenuto mediante desorbimento di carbonio a carico d'oro viene recuperato mediante ionizzazione per ottenere oro solido. Caratterios dell'attrezzatura.

1, alta temperatura, alta pressione, nessun cianuro, controllo automatico del desorbimento, con elevata efficienza, consumo di prua, veloce

Caratteristiche: 

A. Alta efficienza: quando il grado in carbonio caricato in oro raggiunge i 3000 g/t, il tasso di desorbimento può raggiungere oltre il 96%e il cattivo grado di carbonio può essere ridotto di 3-4 volte rispetto all'elettrolitico convenzionale di desorbimento

dispositivo:

B. Fast: la temperatura di elettrolisi del desorbimento può arrivare fino a 150 ℃ (30-55 ℃ superiore rispetto ad altri modelli) Pressione di lavoro del sistema fino a 0,5 MPa (0,2-0,5 milioni più in alto rispetto ad altri modelli), quindi il tempo di elettrolisi del desorbimento è molto veloce, in generale 12 ore, corri quasi quasi quasi quasi 12 ore, corri quasi quasi quasi quasi quasi 12 ore, abbrevia 

3 volte: C.Low Consumo: la temperatura elettrolitica di desorbimento è la stessa, nessun trasferimento di calore, a causa del lavoro veloce, quindi il consumo totale di energia è 1/2-1/4 del sistema convenzionale.

2. Nessun cianuro: la soluzione di desorbimento non è necessario aggiungere cianuro di sodio, basso costo, nessun inquinamento:

3, fango d'oro di alto grado, non è necessario invertire l'elettrolisi, un'estrazione facile;

4, Controllo automatico: impostare in particolare il sistema di controllo del livello del liquido, il sistema di controllo della temperatura e il sistema di controllo automatico;

5, sicurezza: con misure di protezione della sicurezza tripla, vale a dire il meccanismo di rilascio della pressione di pressione autoratica e di limitazione della pressione autoratica, valvola di sicurezza dell'assicurazione.

Tag caldi: Sistema elettrolitico di desorbimento
Invia richiesta
Non esitate a dare la vostra richiesta nel modulo sottostante. Ti risponderemo entro 24 ore.
X
Utilizziamo i cookie per offrirti una migliore esperienza di navigazione, analizzare il traffico del sito e personalizzare i contenuti. Utilizzando questo sito, accetti il ​​nostro utilizzo dei cookie. politica sulla riservatezza