In che modo le attrezzature per la cianurazione migliorano il recupero dell'oro e la sicurezza del sito?

2026-01-08 - Lasciami un messaggio

Se hai mai pensato che la cianurazione fosse “efficace, ma stressante”, non lo starai immaginando. La chimica funziona, ma la realtà quotidiana può essere complicata: minerali variabili, spesa eccessiva per i reagenti, perdite di carbonio, tempi di inattività imprevisti e la pressione costante per operare in modo sicuro e coerente. Questo articolo analizza cosaAttrezzature per la cianurazionedovrebbe effettivamente fare per te, cosa chiedere prima di acquistare e come evitare gli errori più costosi.


Astratto

ModernoAttrezzature per la cianurazionenon è solo un insieme di serbatoi: è un sistema connesso progettato per controllare le condizioni di lisciviazione, stabilizzare il recupero, ridurre gli sprechi di reagenti e mantenere prevedibile la gestione del cianuro. Gli acquirenti in genere devono affrontare quattro punti critici: ripristino incoerente, costi operativi elevati, controlli di sicurezza deboli e problemi di manutenzione. Di seguito, avrai una visione pratica dell'impianto di produzione dei moduli di cianurazione (lisciviazione, adsorbimento, desorbimento/elettroestrazione, disintossicazione e strumentazione), una matrice di selezione, suggerimenti per la messa in servizio e una sezione FAQ che puoi utilizzare durante le conversazioni con i fornitori.


Sommario


Contorno in breve

  • Traduci "Ho bisogno di cianurazione" in un ambito di attrezzatura completo e controllabile.
  • Identifica quale modulo causa le tue perdite (recupero, reagente, carbonio o tempi di inattività).
  • Utilizza una matrice semplice per confrontare le soluzioni per il tipo di minerale e i vincoli.
  • Partecipa alle riunioni con i fornitori con una lista di controllo che espone rapidamente i progetti deboli.

I veri punti dolenti dell'acquirente

Quando le persone fanno acquistiAttrezzature per la cianurazione, spesso dicono "Ho bisogno di un recupero più elevato". Ciò che di solito intendono è: “Ho bisogno di un recupero che rimanga elevato anche quando il minerale cambia, gli operatori ruotano e il sito è remoto”. Ecco i punti dolenti che si presentano ancora e ancora:

  • Altalene del recuperocausato dalla variabilità del minerale, da problemi di macinazione, da limitazioni di ossigeno o da uno scarso controllo del pH.
  • Crescita dei costi dei reagentidal sovradosaggio di cianuro o calce "solo per sicurezza".
  • Problemi di carboniocome incrostazioni, perdita di attrito o scarsa cinetica di adsorbimento.
  • Tempi di inattivitàda guasti della pompa/valvola, usura dei liquami abrasivi o layout di difficile accesso.
  • Stress sulla sicurezzasullo stoccaggio del cianuro, sul dosaggio e sulla prontezza della risposta alle emergenze.

Una buona progettazione delle apparecchiature non elimina tutta la complessità, ma dovrebbe eliminare le congetture.


Cosa comprende l'"attrezzatura per la cianurazione".

Cyaniding Equipment

Come minimo,Attrezzature per la cianurazionedovrebbe essere inteso come un sistema che supporta queste funzioni:

  • Lisciviazione: fornisce tempo, miscelazione e controllo chimico per la dissoluzione.
  • Cattura dell'oro: adsorbimento su carbone attivo (CIP/CIL) o vie di precipitazione.
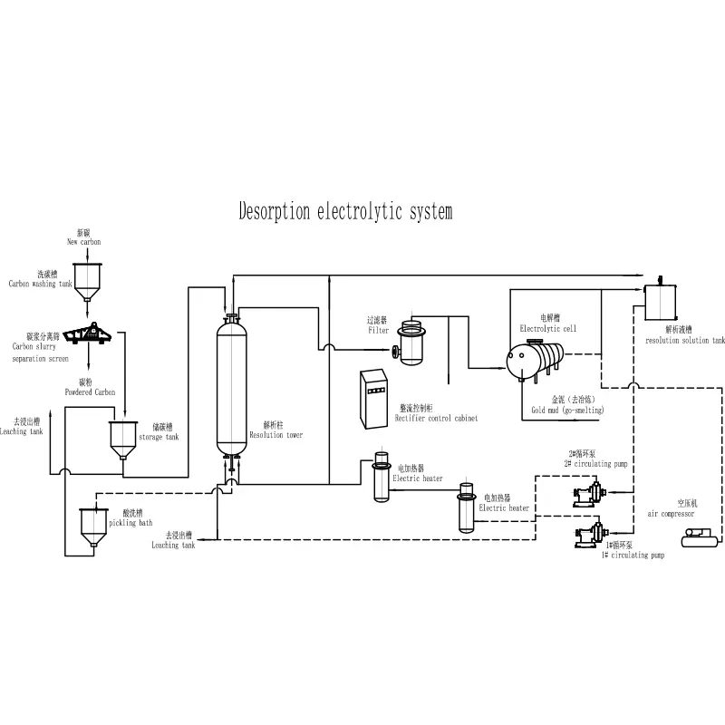
  • Recupero dell'oro: desorbimento ed elettroestrazione (o circuiti di recupero alternativi).
  • Disintossicazione e gestione degli sterili: ridurre il cianuro residuo a livelli accettabili.
  • Strumentazione e controllo: misura e stabilizza il pH, l'ossigeno disciolto, il flusso e il dosaggio.

Se un fornitore parla solo di “serbatoi”, spingetelo a definire l’intero flusso e i punti di controllo. La cianizzazione è tollerante in condizioni di laboratorio; non è indulgente in condizioni di campo caotiche.


Una chiara mappa dei processi da Ore a Doré

Sebbene ogni pianta sia diversa, la maggior parte dei percorsi di cianurazione seguono una spina dorsale riconoscibile. Utilizza questa mappa per verificare se un pacchetto proposto è completo:

Palcoscenico Cosa deve ottenere Tipico rischio “nascosto”.
Pretrattamento (secondo necessità) Rendere l’oro accessibile e prevenire picchi di consumo di cianuro Ignorando il furto del preg, l'alto contenuto di rame o i solfuri reattivi
Lisciviazione Miscelazione stabile, pH controllato e ossigeno sufficiente Zone morte, scarso trasferimento di ossigeno, pH irregolare dovuto a un sistema calcareo debole
Adsorbimento (CIL/CIP) Cattura l'oro disciolto in modo efficiente Metodo di trasferimento/dimensione del carbonio errato; perdite di carbonio
Eluizione/Desorbimento Elimina l'oro dal carbonio in modo affidabile Il riscaldamento/flusso incoerente porta a una bassa efficienza di strippaggio
Elettroestrazione/fusione Recuperare e produrre doré Celle sottodimensionate, cattiva gestione degli elettroliti, problemi di gestione dei fanghi
Disintossicazione Ridurre il cianuro residuo prima dello scarico/degli sterili Il design non corrisponde alla variabilità della produttività o alla chimica degli sterili

Moduli chiave e cosa controllare

1) Vasche di lisciviazione e agitazione

  • Il design della miscelazione è adatto alla densità e all'abrasività del liquame?
  • Il sistema può mantenere un pH stabile in condizioni di variabilità del minerale?
  • L'aggiunta di ossigeno è pratica nel vostro sito (e il trasferimento di ossigeno è considerato nella progettazione)?
  • La disposizione consente una facile ispezione di giranti, camicie e cuscinetti?

2) Adsorbimento e trasferimento del carbonio

  • Gli schermi interstadio sono abbastanza robusti da prevenire il riporto di carbonio?
  • Il trasferimento del carbonio è progettato per ridurre rotture e perdite?
  • Il design è favorevole alla pulizia e al controllo dell'inventario del carbonio?

3) Desorbimento ed elettroestrazione

  • Il circuito di eluizione corrisponde alle vostre aspettative sul carico di carbonio?
  • I controlli del riscaldamento e del flusso sono stabili (non “dipendenti dall’operatore”)?
  • La gestione dei fanghi è pianificata e non improvvisata?

4) Dosaggio e misurazione del cianuro

  • Il dosaggio è automatizzato con interblocchi o puramente manuale?
  • Qual è il piano per la calibrazione e la manutenzione dei sensori in un ambiente minerario reale?
  • I punti di campionamento sono sicuri e ben posizionati o sono un ripensamento?

5) Disintossicazione

  • La progettazione della disintossicazione si basa sugli obiettivi di scarico e sulla chimica degli sterili?
  • È in grado di gestire picchi a breve termine senza forzare un arresto?

Suggerimento pratico:Una proposta che sembra più economica sulla carta spesso spinge i costi nelle operazioni: più cianuro, più calce, più manodopera di manutenzione e un comportamento più “eroico” da parte dell’operatore. Il conto arriva dopo.


Nozioni di base su dimensionamento e specifiche

Non è necessario essere un metallurgista per porre domande sul dimensionamento che proteggano il tuo budget. PerAttrezzature per la cianurazione, la logica del dimensionamento del nucleo ruota attorno al throughput, al tempo di residenza e al trasferimento di massa. Prima di accettare qualsiasi progetto finale, assicurati che questi input siano esplicitamente dichiarati:

  • Produttività della progettazione(media e picco, più variabilità stagionale prevista).
  • Dimensione di macinatura targete cosa succede se il mulino diventa più grossolano.
  • Tempo di residenza della lisciviazionee se si basa su test o ipotesi.
  • Piano pH e alcalinità(compresa la preparazione della calce e la stabilità del dosaggio).
  • Strategia dell'ossigeno(aria, ossigeno o assenza di aria) e l'impatto previsto sulla cinetica.
  • Inventario del carbonio(quanto carbonio, dove si trova e come viene monitorato).

Se un fornitore non è in grado di spiegarli in un linguaggio semplice, trattalo come un segnale di rischio, non come un tecnicismo.


Sicurezza e controllo del cianuro che reggono davvero

La sicurezza non è un poster sul muro. Con la cianurazione, è parte integrante della progettazione fisica e del controllo di routine. ForteAttrezzature per la cianurazionei pacchetti in genere includono:

  • Archiviazione e trasferimento contenuticon chiari percorsi di fuoriuscita e logica di raggruppamento.
  • Dosaggio sincronizzatoquindi il cianuro non può essere aggiunto quando le condizioni chiave non sono soddisfatte.
  • Progettazione di campionamento chiarache riduce il rischio di esposizione durante i controlli di routine.
  • Prontezza di emergenzacome parte della procedura operativa impostata e non come documento aggiuntivo.

Dal punto di vista dell’acquirente, il tuo lavoro è semplice: forzare la proposta a mostrare esattamente come le persone interagiscono con il sistema. Dove si trovano? Cosa toccano? Come isolano le apparecchiature? Come reagiscono al guasto della guarnizione della pompa alle 2 del mattino?


Da dove provengono realmente i costi operativi

Se il costo per oncia sta aumentando, di solito non si tratta di un fallimento drammatico, ma di piccole perdite nel sistema che si aggravano. Nella cianurazione, i fattori di costo più comuni sono:

  • Consumo di cianuroguidato da minerali reattivi, abitudini di sovradosaggio o circuiti di controllo inadeguati.
  • Consumo di calcequando il controllo del pH è instabile o la chimica del liquame non è ben compresa.
  • Perdita di carboniotramite logoramento, problemi di schermo o progettazione di trasferimento scadente.
  • Potenza e manutenzioneda eccessiva agitazione, parti soggette a usura sottoprogettate e layout di difficile manutenzione.
Sintomo Probabile causa principale Funzionalità dell'attrezzatura che aiuta
Il recupero diminuisce quando il minerale cambia instabilità pH/DO; scarsa miscelazione; tempo di permanenza insufficiente Agitazione robusta, migliore strumentazione di controllo, capacità flessibile del serbatoio
La spesa per il cianuro continua ad aumentare sovradosaggio; minerali ad alto consumo di cianuro; misurazione scarsa Dosaggio controllato, punti di campionamento affidabili, interblocchi più intelligenti
Le scorte di carbonio si riducono “misteriosamente”. Guasti dello schermo; perdite di trasferimento; logoramento Schermi interstadio durevoli, design di trasferimento delicato, contabilità chiara del carbonio
Spegnimenti frequenti Parti soggette ad usura, tenuta della pompa, problemi di accesso Materiali resistenti all'usura, accesso per la manutenzione, ricambi standardizzati

Progettazione dell'affidabilità e della manutenzione

Cyaniding Equipment

Un circuito di cianurazione può sembrare “completo” e tuttavia essere inaffidabile se la manutenzione non è stata progettata. Chiedere come si avvicina il fornitore:

  • Selezione dei materialiper zone con liquami abrasivi e zone a contatto con cianuro.
  • Accessoa schermi, giranti, rivestimenti, pompe e strumentazione.
  • Strategia dei pezzi di ricambioche corrisponda alla realtà del tuo sito (tempi di consegna, logistica, stoccaggio).
  • Standardizzazioneper ridurre il numero di capi di abbigliamento unici.

Nelle operazioni remote, “facile da manutenere” può valere di più che “leggermente più efficiente sulla carta”.


Domande sui fornitori da porre

Utilizzare questa lista di controllo nelle riunioni. È progettato per far emergere rapidamente proposte deboli, senza trasformare la conversazione in un dibattito.

  • Quali rischi legati al minerale vengono eliminati e per quali vengono progettati attivamente?
  • Quali sono gli input di progettazione per il tempo di residenza, l’intervallo di pH e la strategia dell’ossigeno?
  • Come viene controllato il dosaggio del cianuro e cosa succede in caso di guasto del sensore?
  • Come viene prevenuta e misurata la perdita di carbonio nelle operazioni di routine?
  • Qual è il piano di accesso per la manutenzione di filtri, agitatori e pompe?
  • Quali sono i controlli da parte dell'operatore consigliati per turno e come vengono resi sicuri?
  • Quale supporto per la messa in servizio è incluso e quale formazione per gli operatori viene fornita?

Se stai valutando i fornitori, può essere utile parlare con un produttore in grado di fornire un pacchetto completo di cianurazione e supportare i dettagli di integrazione. Per esempio, Qingdao EPIC Mining Machinery Co., Ltd.fornisce soluzioni per apparecchiature di lavorazione mineraria in cui i pacchetti di cianurazione sono considerati sistemi (lisciviazione, adsorbimento, recupero e controllo) piuttosto che un insieme di serbatoi sconnessi.


Domande frequenti

Cosa rende l’attrezzatura per la cianurazione “moderna” piuttosto che semplice?

I progetti moderni si concentrano su controllabilità e ripetibilità: dosaggio stabile, misurazione affidabile, campionamento più sicuro, robusta protezione dall'usura e layout che riducono l'improvvisazione dell'operatore. L'obiettivo è un recupero coerente con meno sprechi di reagenti e meno arresti.

Le attrezzature per la cianurazione possono gestire il minerale di bassa qualità in modo economico?

Può, ma solo quando il circuito è progettato attorno alla tua cinetica e al tuo profilo di consumo. Le operazioni di bassa qualità tendono ad essere sensibili alla spesa eccessiva dei reagenti e ai tempi di inattività, quindi i sistemi di controllo, la progettazione dell’usura e la gestione del carbonio diventano particolarmente importanti.

Come faccio a sapere se ho bisogno del CIP o del CIL?

La scelta dipende solitamente dalla cinetica della lisciviazione e dalla velocità con cui l'oro disciolto deve essere catturato. Se l'oro si dissolve rapidamente e desideri una cattura immediata, CIL può essere interessante. Se la lisciviazione trae vantaggio dalla separazione prima dell'adsorbimento, il CIP potrebbe essere più adatto. I test metallurgici e i vincoli pratici del sito dovrebbero guidare la decisione.

Perché il consumo di cianuro a volte aumenta improvvisamente?

Le cause più comuni includono cambiamenti dei minerali minerali, scarso controllo del pH, limitazione inaspettata di ossigeno o contaminazione nell'acqua di processo. Un buon piano di controllo e punti di campionamento affidabili rendono questi picchi più facili da diagnosticare e correggere rapidamente.

A cosa dovrei dare la priorità se il mio sito è remoto e ha poco personale?

Dare priorità alla manutenibilità e all'automazione che riducono la movimentazione manuale: schermi durevoli, disposizione accessibile delle apparecchiature, ricambi standardizzati, dosaggio interbloccato e routine operative chiare che non si basano su "un operatore esperto".


Incartare

AcquistoAttrezzature per la cianurazionein definitiva si tratta di ridurre l’incertezza. La chimica può essere dimostrata, ma la tua redditività dipende da un controllo coerente, da una manutenzione pratica e da una sicurezza che funzioni su turni reali con persone reali. Se stai progettando un nuovo impianto o aggiornando un circuito esistente, porta sul tavolo le tue realtà minerarie, gli obiettivi di produzione e i vincoli del sito e insisti su una proposta che tratti la cianurazione come un sistema completo e controllabile.

Pronti a trasformare il vostro piano di cianurazione in un'operazione affidabile e a costi stabili?Condividi il tipo di minerale, la capacità target e le condizioni del sito econtattaciper discutere una configurazione pratica dell'attrezzatura adatta al vostro impianto e ai vostri operatori.

Invia richiesta

X
Utilizziamo i cookie per offrirti una migliore esperienza di navigazione, analizzare il traffico del sito e personalizzare i contenuti. Utilizzando questo sito, accetti il ​​nostro utilizzo dei cookie. politica sulla riservatezza